Kabelempfang
Wir bieten Antennenanlagen mit einem bis zu mehreren hundert Anschlüssen
Im Bereich der Antennenanlagen richtet sich das Angebot unseres Unternehmens insbesondere an Hausbesitzer sowie Hausgemeinschaften, häufig vertreten durch Hausverwaltungen oder Bauträger, Hotels, Krankenhäuser und Altenheime. Ob TV- oder Radio-Empfang, inländische oder ausländische Sender, digital, HD oder HD+, wir setzen Ihre Vorstellungen in die Praxis um. Notwendige Erdarbeiten sowie mögliche Verknüpfungen mit Telefonanlagen, Internetzugängen und spezifischen internen Informationskanälen (Videoübertragungen) werden ebenfalls bereitgestellt. Natürlich beraten wir Sie gerne zu Hause, in Ihrem Unternehmen oder in Ihrer Wohnungseigentümergemeinschaft und erstellen Ihnen ein kostenloses und unverbindliches Angebot. Nutzen also auch Sie unsere Erfahrung und werden Sie Kundin/Kunde bei uns.
Breitbandkabel-Anschluß
Fernsehen-, Radio, Telefon und Internet
Vor mehr als 15 Jahren entstanden die ersten Breitbandkabelnetze. Sie waren ursprünglich auf die gleichzeitige analoge Übertragung von 30 bis 40 TV-Programme ausgelegt. Seit einigen Jahren bereits werden die Kabelnetze für die digitale Technik aufgerüstet. Statt bisher 30 bis 40 Programme, können dann bis zu 500 Programme gleichzeitig und noch dazu in stets gleich bleibend guter Qualität übertragen werden. Neben Fernseh- und Radioprogramme können aber auch Daten gesendet werden. In ausgebauten Kabelnetzen sind Multimediaanwendungen, Internet und Telefon über das Fernsehkabel schon jetzt möglich. Für diese Anwendungen ist ein Rückkanal erforderlich.
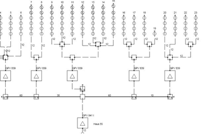
Durch diese neuen digitalen Techniken sind die technischen Anforderungen an ein Hausverteilnetz stark gestiegen. War bei der analogen Übertragung bei einer nicht ganz einwandfreien Hausverteilanlage vielleicht nur ein ganz leicht verrauschtes Bild zu sehen, so fällt bei der digitalen Übertragung das Bild komplett aus. Eine Hausverteilanlage, soll sie denn zuverlässig und einwandfrei funktionieren, muss mit hochwertigen Bauteilen errichtet werden. Eine sorgfältige Planung, Berechnung, Ausführung und Einmessung bei einer großen Anlage mit z.B. 100 Wohnungen ist genauso wichtig, wie bei einer kleinen Anlage in einem Einfamilienhaus.
In diesem Bereich arbeiten wir mit
zusammen.
Einen Vergleich unterschiedlicher Empfangsanlagen finden Sie hier.
Unsere Kompetenz:
Unsere Mitarbeiter sind optimal ausgebildet und nehmen regelmäßig an technischen Schulungen teil. So gehen wir sicher, dass unsere technische Ausrüstung optimal genutzt wird und wir für Sie bestmögliche Ergebnisse erzielen. Wir sind seit 2006 nach den Maßgaben der
zertifiziert. Hier werden besondere Anforderungen an Qualifikation der Techniker und den Meßgerätepark sowie Projektabwicklung und Dokumentation gestellt.
![]() |
![]() |
![]() |
![]() |
| planen | ausführen | messen | dokumentieren |
Neben der sorgfältigen Planung und Montage der gesamten Anlage garantiert erst korrektes Messen und Einpegeln der gesamten Anlage einen störungsfreien Empfang. Die Dokumentation ist für die Wartung oder in einem Störungsfall ein wichtiges Hilfsmittel.
. . . nehmen Sie Kontakt mit uns auf, wir beraten Sie gerne
Für die Sanierung größerer Anlagen machen wir eine Bestandsaufnahme, planen und berechnen die Anlage unter Berücksichtigung des Rückkanals neu und unterbreiten Ihnen auf Grund dieser Daten ein Angebot.
. . . übrigens, auch in Sachen Beschaffenheits-Garantie und Leasing sind wir Ihr Ansprechpartner
Sie sehen, bei uns erhalten Sie alles aus einer Hand







Verbundgruppe und im 